Roulement à billes à gorge profonde à paroi mince KF040CP0
Les roulements à billes à contact radial avec joints ou flasques sont conçus pour supporter des des masses radiales et certaines axiales des masses dans les deux dans les deux sens. Un palier séquence est basé totalement sur un seul aller partie qui reste stable au fur et à mesure que le diamètre de l'alésage augmente, principal à énorme maison et des économies de poids. Les roulements sont à portée de main avec des dimensions limites métriques et en pouces. En fonction de la disposition et la séquence les roulements peuvent être fournis avec une résistance chimique et à la corrosion.
Roulement à billes à gorge profonde à paroi mince KF040CP0
Endure -voie radiale et quelques centaines axiales
Un segment de mouvement mince
Poids léger
Faible frottement
Haute dureté
Haute précision pour les promenades

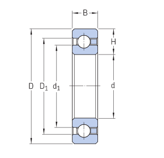
Dimensions:
d |
101.6 mm |
Alésage diamètre |
D |
139,7 mm |
Extérieur diamètre |
H |
19.05 mm |
Radiale croisée section |
B |
19.05 mm |
Largeur |
d1 |
≈115.697 mm |
Épaule diamètre intérieur anneau |
D1 |
≈125.603 mm |
Épaulement diamètre extérieur anneau |
9.525 mm |
Bille diamètre |
|
2.032 mm |
Maximum rayon du congé de l'arbre ou du logement |
Données de calcul :
Capacité de charge dynamique, Kaydon, direction radiale |
CK 15,8kN |
Capacité de charge statique de base, direction radiale |
C 023,8 kN |
Masse:
Roulement de masse≈0,86 kg

